

|
|
 |
|
ロイヤル油圧パンチャー -Royal Master Hydraulic Puncher-
|
- 長穴刃物も標準規格化。*1
- 強力なロイヤル油圧ポンプとの組み合わせで高速正確安全無騒音穴あけ作業。*2
- 小型形鋼用506NSWには溝形鋼用の5度テーパーダイスも標準在庫。
- 油圧ポンプとセットでお求めの場合、5mホースが2本附属します。附属刃物はご希望寸法に変更できます。
*1. 1150SWのみ長穴仕様品はオプションとなります。
*2. 鋼材の硬度が高い場合は騒音を発生します。
|
|
|
506NSW
|
606NSW
|
706NSW
|
711NSW
|
|
|
|
|
|

クリックで拡大します
|

クリックで拡大します
|

クリックで拡大します
|

クリックで拡大します
|
 |
|
|
|
| 911NSW |
1101SW |
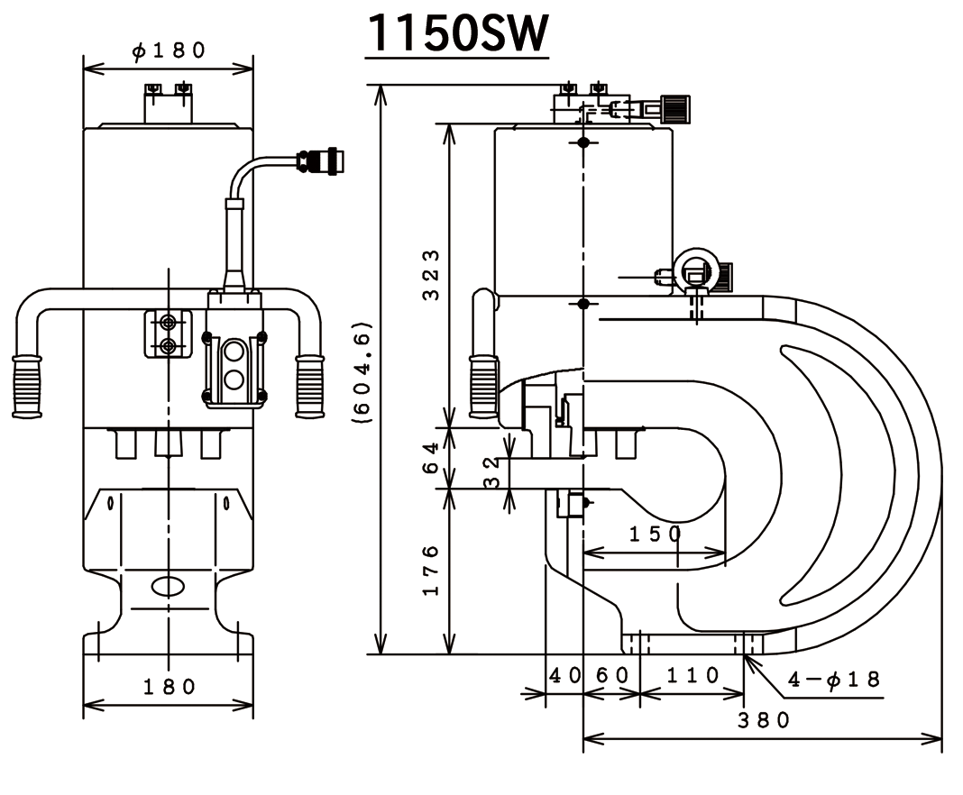
1150SW |
|
 |
 |
 |
|

クリックで拡大します |

クリックで拡大します |

クリックで拡大します |
|
 |
|
仕様/形式
|
506NSW
|
606NSW
|
706NSW
|
711NSW
|
911NSW
|
1101SW
|
1150SW
|
|
最大出力
|
270kN
(27Ton)
|
350kN
(35Ton)
|
450kN
(45Ton)
|
500kN
(50Ton)
|
600kN
(60Ton)
|
650kN
(65Ton)
|
1000kN
(100Ton)
|
|
最大能力 mm
|
φ18×12
φ24×9
|
φ22×13
φ24×12
|
φ24×16
φ25×15
|
φ24×16
φ28×14
|
φ24×20
φ28×17
|
φ25×21 φ30×17
|
φ30×25
φ32×23
|
|
奥行
|
55mm
|
60mm
|
60mm
|
110mm
|
102mm
|
102mm
|
150mm
|
|
重量
|
14kg
|
18kg
|
22.5kg
|
33.8kg
|
35.5kg
|
42.5kg
|
120kg
|
|
適用油圧ポンプ
|
72Mpa(740kgf/cm2 複動タイプ)
|
|
附属刃物
|
φ11,14,
18,22
|
φ11,14,
18,22
|
φ14,18,
22,24
|
φ17.5,22,
20.5,24
|
φ17.5,22.
20.5,24
|
φ17.5, 22,20.5,24
|
φ22,24,
28,30
|
|
|
|
|
|
最大能力時穴明けスピード
|
パンチャー
|
506NSW
|
606NSW
|
706NSW
|
711NSW
|
911NSW
|
1101SW
|
1150SW
|
|
時間 (秒)
|
穴開
|
戻
|
穴開
|
戻
|
穴開
|
戻
|
穴開
|
戻
|
穴開
|
戻
|
穴開
|
戻
|
穴開
|
戻
|
|
油
圧
ポ
ン
プ
|
D-3SW
|
1.0
|
0.5
|
1.3
|
0.6
|
1.6
|
0.9
|
2.3
|
1.2
|
4.0
|
1.4
|
4.3
|
1.8
|
6.5
|
3.8
|
|
D-2SW
|
1.6
|
0.6
|
2.0
|
0.8
|
2.5
|
1.3
|
3.5
|
1.7
|
6.0
|
2.2
|
6.5
|
2.8
|
10.0
|
6.0
|
|
D-1SW
|
2.7
|
0.6
|
3.2
|
0.8
|
4.0
|
1.3
|
6.0
|
1.7
|
11.0
|
2.2
|
11.8
|
2.8
|
13.5
|
6.0
|
|
1SW-40
|
6.8
|
1.3
|
8.0
|
3.0
|
10.1
|
5.0
|
13.0
|
7.0
|
--
|
--
|
--
|
--
|
--
|
--
|
※表の数値は60Hz環境で使用した場合のスピードです。
|
|
|

|